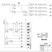
SLC-3-30智能路灯照明节能控制装置

系统采用无触点调控技术,瞬时过载能力强,提高了系统运行的稳定性。设备启动使用软启动功能减少启动浪涌,避免高电压、强电流对灯具的冲击,更好的保护灯具,延长灯具使用寿命,减少后期运行维护成本。现场可通过液晶触摸屏观察到照明的电流、电压、功率因数、电度计量等数据和照明的实时操作调控,更加方便了工作人员的就地操控和巡检,并提供RS232或RS485接口实现照明数据远程传输和操控。每个配电箱内安装智能照明节能控制装置、GPRS无线远程监控终端,实现路灯回路控制,节能调控;

SLC-3-30智能路灯照明节能控制装置设计效果:
1、达到节能环保、保护灯具、分时段节能调稳压的目的,照明节能控制装置串联安装于三相交流一次回路中,可以分时段输出设定的节能电压水平,除了节能调控功能外,其具备本地二次控制功能(经纬时控、光控、手动等),在此基础上加装GPRS无线模块后,无需再改造线路,可实现路灯的无线远程监控功能(四遥)
2、多种启动模式:定时控制、经纬度控制、光照度控制、分时分段节能调压、节假日控制等多种控制模式,实现路灯系统按需照明;
3、多种控制方式:监控中心远程手动/自动、本机手动/自动、手机APP控制、外部强制控制等五种控制方式,系统管理维护更加方便;
4、数据采集与检测:路灯灯具及设备的电流、电压、功率等数据检测,终端在线、离线、故障状态监测,实现系统故障智能分析。远程抄表,可实现全线22个配电箱一键获取日、月、季、年用电量;
5、多功能实时报警:灯具故障、终端故障、线缆故障、漏电、断电、断路、短路、异常开箱、线缆、设备状态异常等系统异常实时报警
6、综合管理功能:数据报表、运行数据分析、可视化数据、路灯设备资产管理等完善的综合管理功能,管理运维更加智能化。
7、远程控制与管理:遥控、遥测、遥调、遥信,全线所有路灯一键开关控制,真正做各种故障信息了于指掌。

SLC-3-30智能路灯照明节能控制装置安装、调试、维护
本公司负责根据用户要求进行产品图纸设计及参数选择,设备组装调试完毕后,经检测合格后方可出厂。
如用户需要,我公司可负责现场安装指导及调试服务,用户提供必要的配合和协助。
用户在遵守保管及使用规则的情况下,自设备安装使用之日起12个月,或从发货之日起14个月期限内,产品由于质量原因而发生损坏和不能正常工作,公司无偿为用户更换或维修。
订货须知
用户应提供相关的设备用电参数,包括:使用的电压等级、用电系统三相总功率、进出线方式等。
柜体的尺寸、颜色及柜体的安装方式等,由我公司工程师进行设计并经用户签字确认后,方能最终确定。用户明确装置的功能(包括基本功能和增强功能),如有特殊要求在订货时提出。

规格汇总:SLC-3-30、SLC-3-45、SLC-3-32、SLC-3-40、SLC-3-50、SLC-3-60、SLC-3-80、SLC-3-63、SLC-3-125、SLC-3-115、SLC-3-120、SLC-3-180、SLC-3-160、SLC-3-150、SLC-3-100、SLC-3-200。

展开阅读全文
于灯火阑珊处,于暗香离别时,未曾放弃。
上一篇

SPT-7000I路灯远程智能监控终端 节能防盗项目

下一篇

REAL-A集中型空调节能云控管理系统能效管理计算机

你也可能喜欢

评论已经被关闭。

插入图片
微信 微信
微信
QQ QQ
QQ:421563834
电话 电话
13634299313
返回顶部

微信扫一扫

微信扫一扫

巨川电气专业智能化12年!

欢迎光临!浙江巨川电气成立于2012年,专业智能化13年!报价微信13634299313